The Reveal – Micro Speaker Build
I recently built a new set of Micro bookshelf speakers. My goal was to make something budget friendly and simple for beginners. SO I looked around for parts for a budget speaker. Here is what I came up with. I used the Dayton PC83-4 as minds and the Dayton ND20-4 for tweeters. The crossover is a simplistic 1st order crossover with a BSC circuit and a resistor on the tweeter. All in all the total cost of the build should be around $60 for the components. I am personally really happy with the sound. Check out the video for a quick build tutorial and sound test.
Parts used:
Tweeter: ND20FB-4
Mid: PC83-4
Sub: GRS 10″ Sub
*Updated Amp: Lepai 2.1 Plate Amplifier or The BEST 2.1 amp I’ve Reviewed – read about it here
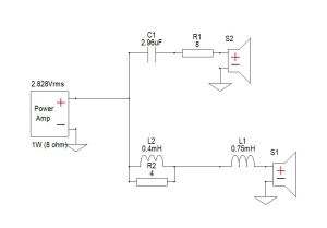
Crossover Components:
2.7uf cap
8ohm resistor
0.75 inductor
0.4 inductor
4ohm Resistor
Pictures
Test Box Speakers
I really liked the mid. Just a nice clean look to it,
The Sub was downfiring to help with the looks and with small kids and animals.
*I used an 8 ohm resistor on the tweeter, but if you feel it is too bright you can use a 10 ohm.
*These plans are for Personal use only. If you want to resell these, contact me first.









Hello , I like much this project , but can you please tell me parameters like SPL/W per speaker ? And how much there will be difference in db between woofer and tweeter on 8ohm and 10ohm
Thank you. I am glad you like it. I didn't test the SPL as these are mostly for nearfield. Each speaker can probably handle about 40 watts rms and closer to 80 peak. I didn't test that, but that would be a good guess. I can tell you that I ran them fine with my Pioneer Elite Home Theater receiver after auto calibration. I am not sure what you are asking about the impedance difference. However, if you are asking if you could use an 8ohm or 10ohm driver, the answer is no. This crossover is custom designed for these speakers. However, if you want a custom crossover design, check out my patreon page, where I offer that service. https://www.patreon.com/123TOid
Nice design . I may have to build a set of those for my granddaughters PC but I think I'd rather go for an 8" or 6 1/2" subwoofer. Do you think that would drastically affect the sound?
Not at all. In fact, I would recommend the Voxel Sub by Paul Carmody. It is a very small 5.25" sub that really hits hard. Great sub/performance especially for the price.
I am from EU and I cannot buy from Parts Express since their shipping to EU is very high. I tried EU based supplier, but they dont have PC83-4 3" at all, only the tweeter. Can you recommend any other speaker, which could replace it? Preferably from https://www.soundimports.eu
Can you explain the crossover wiring better. What is soldered together and where they are hooked up.
Ok, so i like this project, but i do not know how to read that schematic. Do you have a flow diagram of how it should be or a video tutorial on that exact setup?thanks
No problem. I actually did a video on that found here: https://youtu.be/ug3JG26lMtw